|
Сообщения без ответов | Активные темы
Текущее время: Пт 16-01-2026, 20:41
Джой моей мечты или чем мы пользуемся - Делимся мыслями о джоях, манипуляторах
| Автор |
Сообщение |
|
VVS
Ace
Зарегистрирован: Ср 02-07-2003, 11:48 Сообщения: 456
|
Воз, а в чем проблемы? два рычага, покороче и подлиннее на Х и У координату механики и две регулируемых пружины.
Или тот же самый рычаг идущий вниз но с переломом изгибающимся только по горизонтали допустим, получится что для Х задействована половина рычага (перелом, соединение с подшипником) а для У весь рычаг. А ля "карданчик" только в одной плоскости.
|
| Пт 08-04-2005, 17:02 |
|
 |
|
TUS_Voz
Elite
Зарегистрирован: Вт 16-03-2004, 09:40 Сообщения: 2468 Откуда: Königsberg
|
Проблем с теорией нет ))) Проблемы на практике. Нужен механизм с минимумом деталей, простых в изготовлении (типа, брусочки с винтами), и чтобы фрезерных работ тоже было минимум... И чтобы общие размеры конструкции были небольшими... И чтобы это все быдержало нагрузку от пружин сцепления Жигулей, а не развалилось на кусочки... )))
Я сейчас общаюсь с ВКБ, есть 2 варианта - повторить самому их механизм РУСа, который Илья сейчас разрабатывает, только слегка упростить его, или подождать и купить готовую железку, ручку прикручу и нужный мне корпус сделаю сам.... Уж очень мне понравилось качество изготовления ихних педалей... )))
_________________
|llll||lll llll| 34600790
|
| Пт 08-04-2005, 17:23 |
|
 |
|
flashbakc
Ace
Зарегистрирован: Пт 22-10-2004, 16:25 Сообщения: 419 Откуда: Томск
|
2Voz
Кабину я выложил на ed.tusur.ru в инкаминг/ил2
|
| Пн 11-04-2005, 09:50 |
|
 |
|
TUS_Voz
Elite
Зарегистрирован: Вт 16-03-2004, 09:40 Сообщения: 2468 Откуда: Königsberg
|
_________________
|llll||lll llll| 34600790
|
| Пн 11-04-2005, 10:17 |
|
 |
|
TUS_Bizquit
Expert
Зарегистрирован: Пн 24-01-2005, 17:30 Сообщения: 1040 Откуда: Томск
|
Воз, а реально ли с твоих новеньких педалей снять мерки и выложить в виде чертежей? ))
Страсть как хочу напольный рус и ПЕДАЛИ )) Вот только с бабаками напряги. Не потяну заказ из ВКБ ((
_________________
Будем жить! II/TUS_Bizquit
|
| Пн 11-04-2005, 11:24 |
|
 |
|
TUS_Voz
Elite
Зарегистрирован: Вт 16-03-2004, 09:40 Сообщения: 2468 Откуда: Königsberg
|
На форуме сухого Илья выкладывал все чертежи с размерами - посмотри в разделе Матчасть. Только, если сам будешь заказывать на заводе - намного дешевле не получится, там токарно-фрезерных работ штуки на 3 минимум. Плюс электроника.
_________________
|llll||lll llll| 34600790
|
| Пн 11-04-2005, 12:04 |
|
 |
|
TUS_Bizquit
Expert
Зарегистрирован: Пн 24-01-2005, 17:30 Сообщения: 1040 Откуда: Томск
|
Паняна, посмотрю... Есть знакомый токарь, мож че по дешевке выточит )) Ну и некоторые узлы попробую упростить...
_________________
Будем жить! II/TUS_Bizquit
|
| Пн 11-04-2005, 13:31 |
|
 |
|
flashbakc
Ace
Зарегистрирован: Пт 22-10-2004, 16:25 Сообщения: 419 Откуда: Томск
|
Самые простые это у меня
|
| Пн 11-04-2005, 13:35 |
|
 |
|
Spatz1
Expert
Зарегистрирован: Вт 17-08-2004, 08:21 Сообщения: 1842
|
Не Воз ты и правду кабину решил сделать? интересно...
_________________ Бей фашисткую гадину !
|
| Пн 11-04-2005, 14:06 |
|
 |
|
TUS_Voz
Elite
Зарегистрирован: Вт 16-03-2004, 09:40 Сообщения: 2468 Откуда: Königsberg
|
Не, кабину я не хочу. Просто хочу удобно сидеть, чтобы ноги и жопа не затекали через 2 часа... И рус напольный между ног. Вот и все. )
_________________
|llll||lll llll| 34600790
|
| Пн 11-04-2005, 14:41 |
|
 |
|
TUS_--troll--
Деда
Зарегистрирован: Вс 03-04-2005, 19:01 Сообщения: 4570 Откуда: С Юга..
|
прочитал коллективный роман о создании устройств ввода....))...руки чешуться отщебучить чего-нибудь в этом направлении....)...мыслей дельных много..похоже авиасимуляторы всетаки перешли в образ жизни..)..с уважением -troll-
|
| Сб 04-06-2005, 11:31 |
|
 |
|
TUS_Voz
Elite
Зарегистрирован: Вт 16-03-2004, 09:40 Сообщения: 2468 Откуда: Königsberg
|
Уфф... )) Сегодня доделал свой первый напольный джой на основе CyborgEvo. Глобальных переделок в конструкции нет, просто удлинил ручку на 40 см и утяжелил основание. Фото потом запощу - цифровик пока отдал.
Ощущение от полетов - каааайф ))) Очень точно управляется самолет, отзывается на малейшее перемещение руки. Большой минус - посадка пилота ((( На стандартном стуле с напольный джоем и педалями летать невозможно. Необходимо какое-то спецкресло для полетов... )
_________________
|llll||lll llll| 34600790
|
| Сб 04-06-2005, 23:38 |
|
 |
|
flashbakc
Ace
Зарегистрирован: Пт 22-10-2004, 16:25 Сообщения: 419 Откуда: Томск
|
Скоро у тебя не квартира будет кабина самолета
|
| Пн 06-06-2005, 07:25 |
|
 |
|
TUS_Bizquit
Expert
Зарегистрирован: Пн 24-01-2005, 17:30 Сообщения: 1040 Откуда: Томск
|
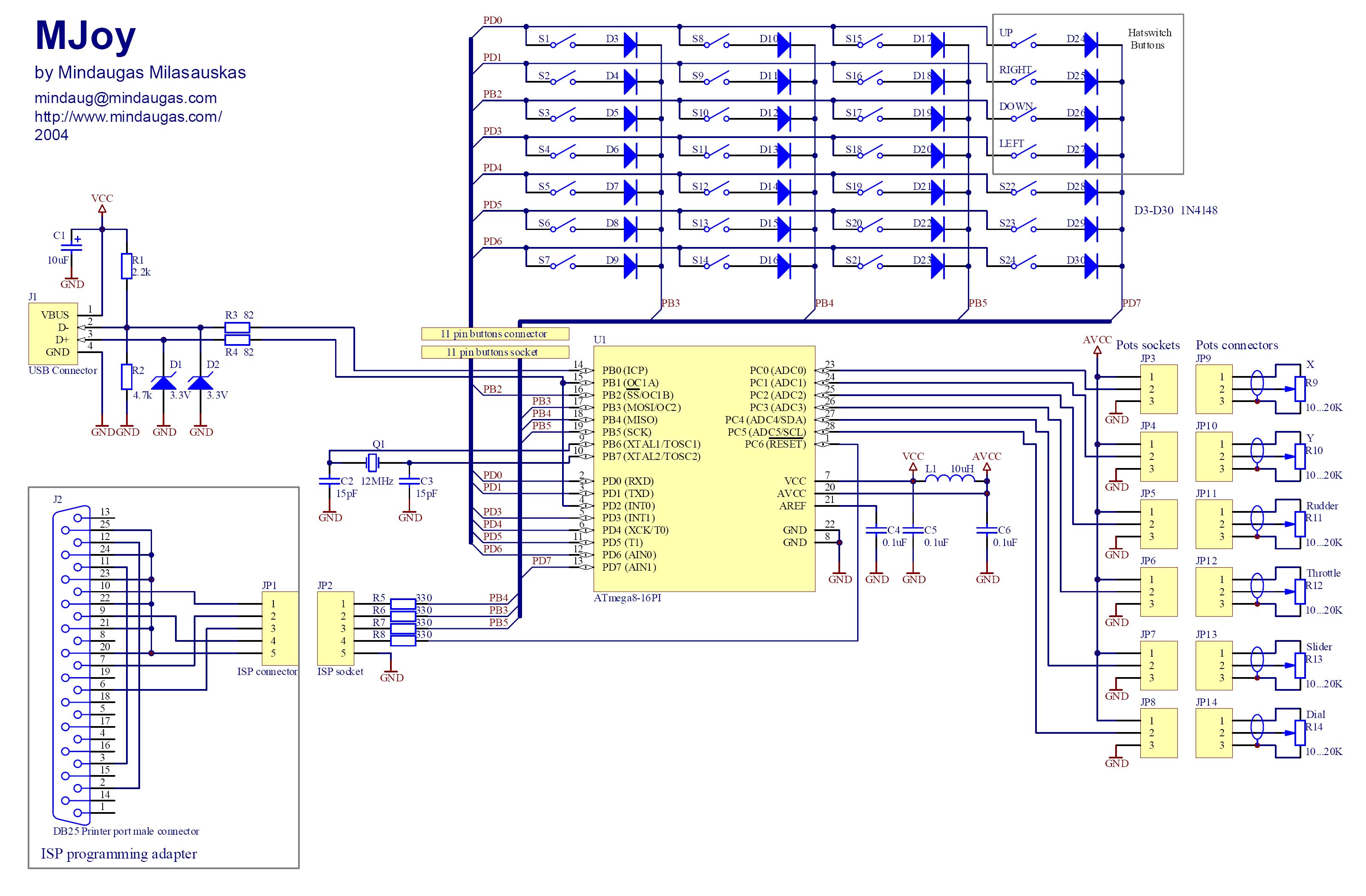
MJoy v1.4
_________________
Будем жить! II/TUS_Bizquit
|
| Пт 10-06-2005, 13:17 |
|
 |
|
TUS_Bizquit
Expert
Зарегистрирован: Пн 24-01-2005, 17:30 Сообщения: 1040 Откуда: Томск
|
MJoy
_________________
Будем жить! II/TUS_Bizquit
|
| Пт 10-06-2005, 13:22 |
|
 |
|
TUS_Bizquit
Expert
Зарегистрирован: Пн 24-01-2005, 17:30 Сообщения: 1040 Откуда: Томск
|
MJoy
|
| Пт 10-06-2005, 13:23 |
|
 |
|
flashbakc
Ace
Зарегистрирован: Пт 22-10-2004, 16:25 Сообщения: 419 Откуда: Томск
|
Странно
Где ты это взял?
На первоисточнике ничего нет
http://www.mindaugas.com/projects/MJoy/Versions.php
_________________ Пропеллер, громче песню пой, неся распластанные крылья: За вечный мир в последний бой летит стальная эскадрилья
|
| Пт 10-06-2005, 13:41 |
|
 |
|
TUS_Bizquit
Expert
Зарегистрирован: Пн 24-01-2005, 17:30 Сообщения: 1040 Откуда: Томск
|
_________________
Будем жить! II/TUS_Bizquit
|
| Пт 10-06-2005, 13:53 |
|
 |
|
TUS_Bizquit
Expert
Зарегистрирован: Пн 24-01-2005, 17:30 Сообщения: 1040 Откуда: Томск
|
MJoy16
_________________
Будем жить! II/TUS_Bizquit
|
| Пт 10-06-2005, 14:13 |
|
 |
|
TUS_Bizquit
Expert
Зарегистрирован: Пн 24-01-2005, 17:30 Сообщения: 1040 Откуда: Томск
|
MJoy16
_________________
Будем жить! II/TUS_Bizquit
|
| Пт 10-06-2005, 14:25 |
|
 |
|
TUS_Voz
Elite
Зарегистрирован: Вт 16-03-2004, 09:40 Сообщения: 2468 Откуда: Königsberg
|
Еще одна модернизация. )) Вероятно, будет актуально для тех, кто использует связку рус Evo + руд x45. Обычно, в этом случае рус х45 болтается без дела. Мне надоело пинать его под столом, и я его напрочь разобрал.
Далее - модификация № 1 - дополнительная хатка на Evo. Получилось ну просто очень удобная дополнительная хатка под большой палец. Подпаял к ней никогда не задействованные кнопки с основания Evo.
Таким образом, и без того отличный по эргономике джой приобретает еще и функциональность рус х45-го. Сейчас думаю, куда на рус Evo вывести две оставшихся не у дел кнопки с основания джоя.
Оставшиеся потроха от рус х45 думаю приспособить к РУДу, но это дело еще в процессе, в общем, придумаю, сделаю, выложу... ))
_________________
|llll||lll llll| 34600790
|
| Ср 21-09-2005, 00:54 |
|
 |
|
TUS_Taiga
Ace
Зарегистрирован: Сб 16-07-2005, 09:13 Сообщения: 455
|
Есть лишние педали от Ан2, сам снимал. Просто педали 
|
| Ср 21-09-2005, 13:08 |
|
 |
|
TUS_Voz
Elite
Зарегистрирован: Вт 16-03-2004, 09:40 Сообщения: 2468 Откуда: Königsberg
|
А самолет по сей день летает? )) Все лишнее - за борт!!!
_________________
|llll||lll llll| 34600790
|
| Ср 21-09-2005, 17:39 |
|
 |
|
TUS_YaYam
Elite
Зарегистрирован: Вт 11-01-2005, 15:55 Сообщения: 3093 Откуда: Российская империя. г.Томск
|
Что самолету лишнее вирпилу приходится 
_________________ Севастополь Русский город. ....."Новейшая история государства Российского" . Киев, мля, тоже Русский город!!! Украина суть - Коренная Русь!!!!.....а никакая нахрен не малороссия.
|
| Ср 21-09-2005, 18:04 |
|
 |
|
TUS_KOPTuK
Теоретег
Зарегистрирован: Сб 11-12-2004, 13:26 Сообщения: 4398
|
Народ, поделитесь инфой, плз, на какие джои точно надо ставить дрова, а какие и без оных работают?
В частности, Logitech "Extreme 3D Pro" нуждается в установке доп. софта?
_________________ Поживём - увидим, доживём - узнаем, выживем - учтём. Чистая совесть - это обычно признак плохой памяти.
|
| Сб 01-10-2005, 10:03 |
|
 |
|
TUS_--troll--
Деда
Зарегистрирован: Вс 03-04-2005, 19:01 Сообщения: 4570 Откуда: С Юга..
|
....КОРТИК..во накопал..  ..читай...
Extreme 3D Pro
Эта модель стоит лишь немногим больше, зато предоставляет игроку заметно больше возможностей. Начнем с того, что он является уже не трех -, а четырехосевым. Кроме того, на головке рукоятки расположен еще и восьмипозиционный переключатель видов. Число кнопок увеличилось только на одну, однако, их расположение стало более удобным... для правши
От симметричной формы в Extreme 3D Pro отказались, что позволило сгруппировать все шесть кнопок основания на одной его стороне и заметно изменить расположение кнопок на рукоятке. Удобнее стала и рукоятка управления газом, да и основание увеличилось, что придает джойстику большую устойчивость на столе. Словом, увидев, сколь мизерна разница в цене между этими джойстиками, я сильно удивился: на мой взгляд, она должна быть больше.
Стоит отметить, что данная модель лишена основного недостатка топовой беспроводной модели, а именно низкой жесткости пружины, отвечающей за повороты рукоятки. В Extreme 3D Pro конструкция более удачная, так что рука не устает даже при длительном использовании джойстика. А вот с точностью работы обнаружены достаточно большие проблемы: JoyTester2 выдал такие цифры: 169 по основным осям, 252 рукоятка газа, 251 — повороты ручки. На сегодняшний день этого мало, с другой стороны, при практическом использовании невысокая точность работы джойстика (в отличие от, например, частоты опроса мыши) слишком заметных неудобств не доставляет.
Программное обеспечение
Обе модели превосходно работают под управлением Windows XP или MacOS, начиная с 9.Х без необходимости установки специальных драйверов, однако, смысл в использовании ПО все же есть и немалый (речь в данном случае только о пользователях Windows PC). Программное обеспечение для всех джойстиков Logitech одинаковое (похвальное стремление к унификации программного обеспечения для однотипного оборудования обнаруживается и в случае других периферийных устройств данного производителя). Logitech Gaming Software присутствует на CD из комплекта обоих моделей, также его можно свободно загрузить с сайта Logitech. Чем же интересен софт?
Собственно драйвер джойстиков почти не несет в себе ничего нового — мы видим все те же свойства, что и при использовании встроенного в ОС программного обеспечения. Разве что внешний вид тестовой закладки улучшился, плюс появилась фотография самого устройства.
Вторая закладка интереснее. Она выдает информацию о текущей версии драйверов и ПО и даже позволяет «в одно касание» проверить, нет ли на сайте компании более свежего пакета программного обеспечения. А еще прямо отсюда можно запустить Logitech Profiler.
Данное приложение является наиболее интересной частью программного обеспечения Logitech. Она позволяет сохранять настройки кнопок джойстика и некоторые другие параметры в виде профилей, и при необходимости загружать их обратно. Но важна даже не сама по себе возможность создания профилей, а то, что пользователю совсем необязательно придется возиться с настройками: некоторое количество уже готовых пакетов настроек поставляется прямо на CD, еще большее их количество доступно на сайте компании, причем, новые профили постоянно продолжают выходить по мере появления новых игр. Это что касается централизованного способа распространения настроек, а ведь никто не мешает пользователям обмениваться ими и самостоятельно.
Profiler настраивает не только кнопки — можно изменить и некоторые параметры рукоятки, обычно персонально регулируемые в каждой игре. Интересной особенностью является также возможность заставить повороты рукоятки выполнять какую-либо иную работу, что полезно в играх, встречающихся и ныне и не поддерживающих четырехосевые джойстики
_________________ "Если не видишь противника, не считай, что его нет"
|
| Сб 01-10-2005, 10:25 |
|
 |
|
Dredd
Green
Зарегистрирован: Вт 07-06-2005, 20:23 Сообщения: 41 Откуда: Стрежевой Томской области
|
Ме кажется из существующих можно Saitek X52 порекомендовать. Мне он очень нравится, замечательная вещь, я его модифицировал (по схеме некого Gogoblina с Сухого), полностью убрал нелинейность и мертвую зону. Огромный ход РУСа, мягко все, точно, удобный РУД. Есть мелкие огрехи (мышиное колесо некорректно срабатывает), но это в принципе поправимо (мне оно не к чему, а так бы давно поправил). Всем рекомендую, только дороговато конечно. Но в связке с Трэкир 3 про - сказка. Лучше может быть только напольное что-нибудь, с педалями (я юзаю твист). Сравнивал я Х52 с кугаром - модифицированный Х52 лучше без вопросов, удобнее.
|
| Чт 06-10-2005, 23:23 |
|
 |
|
Vitaminen
Green
Зарегистрирован: Вт 11-10-2005, 12:57 Сообщения: 8
|
я всё не читал, только могу добавить: в джойстиках ещё используют оптические датчики.
|
| Вт 11-10-2005, 13:02 |
|
 |
|
Spatz1
Expert
Зарегистрирован: Вт 17-08-2004, 08:21 Сообщения: 1842
|
так в джойстиках разбирается значит летает
_________________ Бей фашисткую гадину !
|
| Вт 11-10-2005, 13:50 |
|
 |
|
TUS_U-gin
Поллитрук
Зарегистрирован: Пн 25-02-2002, 13:18 Сообщения: 3274 Откуда: Novosibirsk, Russia.
|
Парни, кто может прозвонить мне джой.
Зараза переодически теряет РУД, и после возвращения (при похлопывании)крафт колбасит так, что Штука (вчера на сервере летал) выходит на закретичные и делает кобру.
А нафиг мне кобра с SC-1800?
_________________ Один удар по морде заменяет два часа воспитательной работы.
|
| Ср 12-10-2005, 09:13 |
|
|
Кто сейчас на конференции |
Сейчас этот форум просматривают: нет зарегистрированных пользователей и гости: 1 |
|
Вы не можете начинать темы Вы не можете отвечать на сообщения Вы не можете редактировать свои сообщения Вы не можете удалять свои сообщения Вы не можете добавлять вложения
|
|